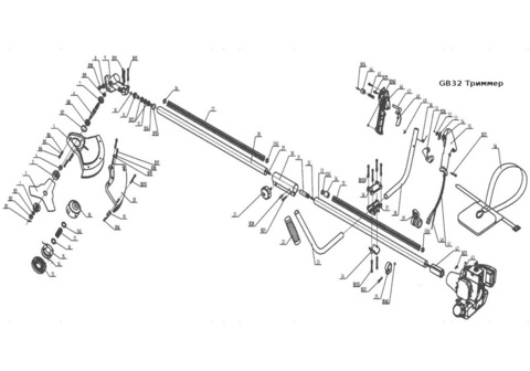
| GB32 Детали триммера |
| No. | Артикул | Наименование | | No. | Артикул | Наименование |
| 1 | 60308/30-1001 | Шайба прижимная наружная | | 30 | 60308/30-1030 | Зажим штанги |
| 2 | 90320-254 | Диск посадка 25,4мм | | 30A | 60019-2221 | Зажим штанги комплект (21,30,B21) |
| 3 | 60308/30-1003 | Шайба прижимная внутренняя | | 30B | 60308/30-1030R | Зажим руля силуминовый (не поставляется) |
| 4 | 60308/30-1004 | Втулка шайбы внутренней | | 31 | | |
| 5 | 60308/30-1005 | Кожух диска | | 32 | | |
| 6 | | | | 33 | 60308/30-2635 | Штанга верхняя с валом (32,33,34,35) |
| 7 | | | | 33A | | |
| 8 | | | | 34 | | |
| 9 | 60363-0612 | Редуктор в сборе(6-10) гибкий вал квадрат | | 35 | | |
| 10 | | | | 36 | 60308/30-1036 | Зажим руля верхняя часть |
| 11 | | | | 36A | 60363-3637 | Зажим руля комплект(24,36,37) |
| 12 | | | | 37 | 60308/30-1037 | Зажим руля средняя часть |
| 13 | | | | 38 | 60308/30-1038 | Руль правая часть |
| 14 | | | | 39 | | |
| 15 | | | | 40 | 60308/30-1040 | Трос газа |
| 16 | | | | 41 | | |
| 17 | | | | 42 | 60308/30-1042 | Втулка штанга-двигатель |
| 18A | 640-117 | Головка триммерная в сборе | | 43 | 60330E-1043 | Двигатель GB32RD в сборе |
| 18B | 640-124 | Головка триммерная в сборе | | 44 | | |
| 18C | 640-131 | Головка триммерная в сборе | | 45 | | |
| 19 | | | | 46 | 60308/30-1046 | Ручка левая часть |
| 20 | 60308/30-19B16 | Кожух трим.головки (19,20) | | 46A | 60363-4055 | Ручка в сборе (46-55) |
| 21 | 60308/30-1021 | Барашек зажима штанги | | 47 | | |
| 22 | | | | 48 | 60308/30-1048 | Рычаг блокировки газа |
| 23 | 60308/30-1023 | Руль левая часть | | 49 | 60308/30-1049 | Пружина рычага блокировки газа |
| 23А | 60363-2338 | Руль в сборе (23,24,36-38) | | 50 | 60308/30-1050 | Пружина курка газа |
| 24 | 60308/30-1024 | Зажим руля нижняя часть | | 51 | 60308/30-1051 | Курок газа |
| 25 | | | | 52 | 60308/30-1052 | Клавиша выключателя (B26,52,53) |
| 26 | | | | 53 | | |
| 27 | | | | 54 | 60308/30-1054 | Выключатель (с проводом) |
| 28 | 60363-2629 | Штанга нижняя в сборе(26,27,28,29) | | 55 | 6038/30-1055 | Ручка правая часть |
| 28A | 60363-2628 | Штанга нижняя без вала | | 56 | 60308/30-1056 | Подвес |
| 29 | | | | B1 | 60308/30-10B1 | Штифт крепления диска |
| | | | | B2 | 60308/30-10B2 | Гайка крепления диска М10х1,25 левая |
| | | | | B3 | 60308/30-10B3 | Шайба |
| GB32 Детали двигателя |
| No. | Артикул | Наименование | | No. | Артикул | Наименование |
| 3 | 60308/30-0003 | Крышка сцепления | | 39 | 60308/30-0039 | Коленвал |
| 4 | | | | 40 | 60308/30-0040 | Прокладка крышки картера |
| 5 | 60308/30-0005 | Чашка сцепления | | 41 | 60308/30-0041 | Крышка картера |
| 6 | 60308/30-0006 | Сцепление | | 42 | | |
| 7 | | | | 43 | 60330E-0043 | Крышка задняя двигателя GB32RD |
| 8 | 60308/30-0008 | Крышка стартера | | 44 | | |
| 12 | 60308/30-0012 | Пружина стартера (в кассете) | | 45 | 60308/30-0045 | Крышка фильтра |
| 13 | | | | 46 | 60308/30-0046 | Фильтр воздушный |
| 14 | | Шнур стартера 3,5мм | | 50 | 60308/30-0050 | Стойка воздушного фильтра |
| 15 | 60308/30-0015 | Барабан стартера | | 51 | | |
| 16 | | | | 52 | | |
| 17 | | | | 53 | 60303E-0049 | Карбюратор |
| 18 | 60308/30-0018 | Втулка упор сцепления | | 54 | 60308/30-0054 | Прокладка карбюратора |
| 19 | | | | 55 | 60308/30-1040 | Трос газа |
| 20 | 60308/30-0020 | Маховик | | 56 | 60308/30-0056 | Теплоизолятор |
| 21 | 60308/30-0021 | Картер | | 57 | | |
| 21А | 60308/30-2121 | Картер в сборе с коленвалом (21,26,27,36-39) | | 58 | 60308/30-0058 | Прокладка теплоизолятора |
| 22 | | | | 59 | 60308/30-0059 | Прокладка глушителя |
| 23 | | | | 60 | 60330E-0060 | Глушитель GB32RD |
| 24 | 60308/30-0024 | Магнето | | 61 | 60303E-0043 | Стойка глушителя |
| 25 | | | | 62 | 60308/30-0062 | Болт крепления глушителя |
| 26 | 60303E-00B6 | Подшипник игольчатый шатуна | | 63 | | |
| 27 | 60308/30-0027 | Шатун | | 64 | | |
| 28 | 60303E-00B6 | Подшипник игольчатый пальца поршня | | 65 | 60308/30-0065 | Шланг топливный |
| 29 | 60303E-0024 | Кольцо стопорное пальца | | 66 | 60308/30-0066 | Фильтр топливный (OREGON 07-040) |
| 30 | 60308/30-0030 | Палец поршня | | 67 | 60308/30-0067 | Бак топливный |
| 31 | 60330E-0031 | Поршень GB32RD (без кольца) | | 68 | | |
| 32 | 60330E-0032 | Кольцо поршневое GB32RD | | 69 | 60308/30-0069 | Аммортизатор бака |
| 33 | 60330E-0033 | Прокладка цилиндра GB32RD | | 70 | | |
| 34 | 60330E-0034 | Цилиндр GB32RD | | 71 | 60308/30-0071 | Кольцо уплотнительное пробки |
| 35 | 60308/30-0035 | Свеча зажигания (OREGON 77-324-1) | | 72 | | |
| 36 | 60308/30-0036 | Подшипник 6001 | | 73 | 60308/30-0073 | Фильтр пробки бензобака |
| 37 | 60308/30-0037 | Сальник коленвала | | 74 | 60308/30-0074 | Сапун пробки бензобака |
| 38 | 60308/30-0038 | Подшипник 6201 | | БН | 60330E-1043 | Двигатель в сборе GB32RD |